Shaft Encoder incremental,
Resolution: up to 25000 ppr,
Clamping flange: Ø 58 mm [2.283"]
Shaft Ø: 6 mm [0.236"], 7 mm [0.2761"], 8 mm [0.315"], 9.525 mm [3/8"], 10 mm [0.394"];
on request: 12 mm [0.472"],
Protection rating: up to IP67 all around,
Signal shape: square-wave or sine/cosine,
Operating principle: optical.

- Rugged industrial standard encoder
- Housing cap die cast aluminum,
with particularly eco-friendly powder coating - Up to 25000 PPR by use of high grad electronics
- Protection to IP67, shaft sealed to IP65
- Maximum mechanical and electrical safety
- Full connection protection with 10 VDC up to 30 VDC
- High output frequency 600 kHz/2 MHz
- Optional:
-40 °C up to +85 °C [-40 °F up to +185 °F],
Protection to IP67 all around,
Pressure equalising membrane
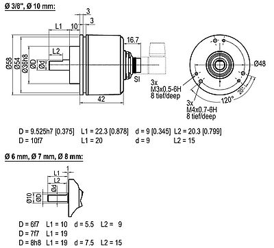
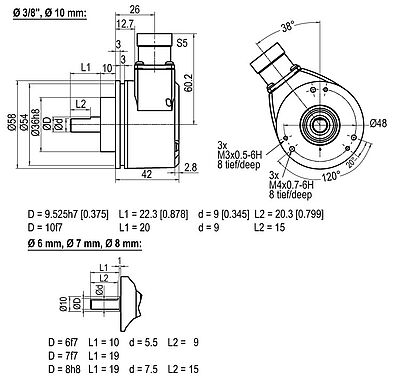
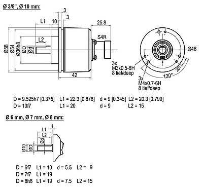
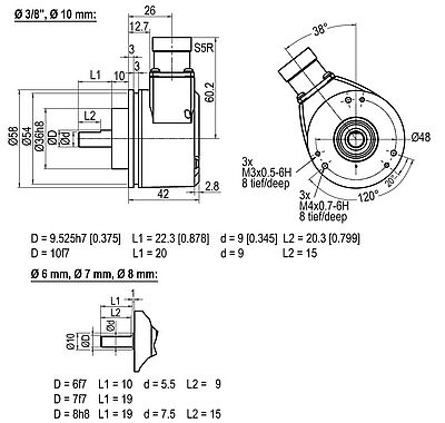
Shaft length: L: 10 mm [0.394"]
Max. Permissible shaft loading radial: 220 N [22.433 kp]
Max. Permissible shaft loading axial: 120 N [12.236 kp]
Advice: Attention: No option AAO = full IP67 version
Shaft length: L: 19 mm [0.748"]
Max. Permissible shaft loading radial: 80 N [8.157 kp]
Max. Permissible shaft loading axial: 50 N [5.098 kp]
Shaft length: L: 19 mm [0.748"]
Max. Permissible shaft loading radial: 220 N [22.433 kp]
Max. Permissible shaft loading axial: 120 N [12.236 kp]
Shaft length: L: 22.3 mm [0.878"]
Max. Permissible shaft loading radial: 220 N [22.433 kp]
Max. Permissible shaft loading axial: 120 N [12.236 kp]
Shaft length: L: 20 mm [0.787"]
Max. Permissible shaft loading radial: 220 N [22.433 kp]
Max. Permissible shaft loading axial: 120 N [12.236 kp]
Current consumption: typ. 70 mA (100 mA only F05, P05)
Current consumption: typ. 70 mA
Current consumption: typ. 70 mA (100 mA only F24, P24, 645)
Environmental data
ESD (DIN EN 61000-4-2):
8 kV
Burst (DIN EN 61000-4-4):
2 kV
includes EMC:
DIN EN 61000-6-2
DIN EN 61000-6-3
Vibration:
(DIN EN 60068-2-6)
50 m/s2 (10 Hz up to 2000 Hz)
Shock:
(DIN EN 60068-2-27)
1000 m/s2 (6 ms)
Electrial Safety:
according DIN VDE 0160
Duty information
Customs tariff number:
90318020
Country of origin:
Germany
1 Vpp: -10 °C up to +70 °C [+14 °F up to +158 °F]
| Description | ABN inv. poss. | |
|---|---|---|
| K2 | axial, shield not connected | ● |
| L2 | axial, shield connected to encoder housing | ● |
| K2, L2 | K2, L2 | L2 | |
| Circuit | F05, H05, F24, H24, H30 | P05, R05, P24, R24, 245, 645, R30 | SIN |
| GND | WH | WH | WH |
| (+) Vcc | BN | BN | BN |
| A | GN | GN | GN |
| B | YE | YE | GY |
| N | GY | GY | - |
| - | - | - | - |
| A inv. | - | RD | YE |
| B inv. | - | BK, (BU at ACA) | PK |
| N inv. | - | VT | - |
| Shield | flex | flex | flex |
| Description | ABN inv. poss. | |
|---|---|---|
| K3 | radial, shield not connected | ● |
| L3 | radial, shield connected to encoder housing | ● |
| K3, L3 | K3, L3 | L3 | |
| Circuit | F05, H05, F24, H24, H30 | P05, R05, P24, R24, 245, 645, R30 | SIN |
| GND | WH | WH | WH |
| (+) Vcc | BN | BN | BN |
| A | GN | GN | GN |
| B | YE | YE | GY |
| N | GY | GY | - |
| - | - | - | - |
| A inv. | - | RD | YE |
| B inv. | - | BK, (BU at ACA) | PK |
| N inv. | - | VT | - |
| Shield | flex | flex | flex |
| Description | ABN inv. poss. | |
|---|---|---|
| SI5 | axial, 5-pin, Connector connected to encoder housing | - |
| SI6 | axial, 6-pin, Connector connected to encoder housing | - |
| SI8 | axial, 8-pin, Connector connected to encoder housing | ● |
| SI12 | axial, 12-pin, Connector connected to encoder housing | ● |
| SI5 | SI6 | SI8 | SI8 | SI12 | SI12 | |
| 5-pin | 6-pin | 8-pin | 8-pin | 12-pin | 12-pin | |
| connector drawing | ![]() | ![]() | ![]() | ![]() | ||
| Circuit | F05, H05, F24, H24, H30 | F05, H05, F24, H24, H30 | P05, R05, P24, R24, R30, 245, 645 | SIN | P05, R05, P24, R24, 245, 645, R30 | SIN |
| GND | 1 | 6 | 1 | 1 | K, L | K, L |
| (+) Vcc | 2 | 1 | 2 | 2 | M, B | M, B |
| A | 3 | 2 | 3 | 3 | E | E |
| B | 4 | 4 | 4 | 4 | H | H |
| N | 5 | 3 | 5 | - | C | - |
| - | - | - | - | - | - | - |
| A inv. | - | - | 6 | 6 | F | F |
| B inv. | - | - | 7 | 7 | A | A |
| N inv. | - | - | 8 | - | D | - |
| n. c. | - | 5 | - | 5, 8 | G, J | D, G, J |
| Shield | - | - | - | - | - | - |
| Description | ABN inv. poss. | |
|---|---|---|
| SH5 | radial, 5-pin, Connector connected to encoder housing | - |
| SH6 | radial, 6-pin, Connector connected to encoder housing | - |
| SH8 | radial, 8-pin, Connector connected to encoder housing | ● |
| SH12 | radial, 12-pin, Connector connected to encoder housing | ● |
| SH5 | SH6 | SH8 | SH8 | SH12 | SH12 | |
| 5-pin | 6-pin | 8-pin | 8-pin | 12-pin | 12-pin | |
| connector drawing | ![]() | ![]() | ![]() | ![]() | ||
| Circuit | F05, H05, F24, H24, H30 | F05, H05, F24, H24, H30 | P05, R05, P24, R24, R30, 245, 645 | SIN | P05, R05, P24, R24, 245, 645, R30 | SIN |
| GND | 1 | 6 | 1 | 1 | K, L | K, L |
| (+) Vcc | 2 | 1 | 2 | 2 | M, B | M, B |
| A | 3 | 2 | 3 | 3 | E | E |
| B | 4 | 4 | 4 | 4 | H | H |
| N | 5 | 3 | 5 | - | C | - |
| - | - | - | - | - | - | - |
| A inv. | - | - | 6 | 6 | F | F |
| B inv. | - | - | 7 | 7 | A | A |
| N inv. | - | - | 8 | - | D | - |
| n. c. | - | 5 | - | 5, 8 | G, J | D, G, J |
| Shield | - | - | - | - | - | - |
| Description | ABN inv. poss. | |
|---|---|---|
| S2 | axial, 7-pin, Connector connected to encoder housing | - |
| Description | ABN inv. poss. | |
|---|---|---|
| S3 | radial, 7-pin, Connector connected to encoder housing | - |
| Description | ABN inv. poss. | |
|---|---|---|
| S4 | axial, 12-pin, Connector connected to encoder housing | ● |
| Description | ABN inv. poss. | |
|---|---|---|
| S5 | radial, 12-pin, Connector connected to encoder housing | ● |
| Description | ABN inv. poss. | |
|---|---|---|
| S4R | axial, 12-pin, Connector connected to encoder housing | ● |
| Description | ABN inv. poss. | |
|---|---|---|
| S5R | radial, 12-pin, Connector connected to encoder housing | ● |
| Description | ABN inv. poss. | |
|---|---|---|
| SB4 | axial, 4-pin, Connector connected to encoder housing | - |
| SB5 | axial, 5-pin, Connector connected to encoder housing | - |
| SB8 | axial, 8-pin, Connector connected to encoder housing | ● |
| SB12 | axial, 12-pin, Connector connected to encoder housing | ● |
| SB4 | SB5 | SB8 | SB8 | SB12 | |
| 4-pin | 5-pin | 8-pin | 8-pin | 12-pin | |
| connector drawing | ![]() | ![]() | ![]() | ![]() | |
| Circuit | F05, H05, F24, H24, H30 | F05, H05, F24, H24, H30 | P05, R05, P24, R24, R30, 245, 645 | SIN | P05, R05, P24, R24, 245, 645, R30 |
| GND | 3 | 3 | 1 | 1 | 3 |
| (+) Vcc | 1 | 1 | 2 | 2 | 1 |
| A | 2 | 4 | 3 | 3 | 4 |
| B | 4 | 2 | 4 | 5 | 6 |
| N | - | 5 | 5 | - | 8 |
| - | - | - | - | - | - |
| A inv. | - | - | 6 | 4 | 9 |
| B inv. | - | - | 7 | 6 | 7 |
| N inv. | - | - | 8 | - | 10 |
| n. c. | - | - | - | 7, 8 | 2, 5, 11, 12 |
| Shield | - | - | - | - | - |
| Description | ABN inv. poss. | |
|---|---|---|
| SC4 | radial, 4-pin, Connector connected to encoder housing | - |
| SC5 | radial, 5-pin, Connector connected to encoder housing | - |
| SC8 | radial, 8-pin, Connector connected to encoder housing | ● |
| SC12 | radial, 12-pin, Connector connected to encoder housing | ● |
| SC4 | SC5 | SC8 | SC8 | SC12 | |
| 4-pin | 5-pin | 8-pin | 8-pin | 12-pin | |
| connector drawing | ![]() | ![]() | ![]() | ![]() | |
| Circuit | F05, H05, F24, H24, H30 | F05, H05, F24, H24, H30 | P05, R05, P24, R24, R30, 245, 645 | SIN | P05, R05, P24, R24, 245, 645, R30 |
| GND | 3 | 3 | 1 | 1 | 3 |
| (+) Vcc | 1 | 1 | 2 | 2 | 1 |
| A | 2 | 4 | 3 | 3 | 4 |
| B | 4 | 2 | 4 | 5 | 6 |
| N | - | 5 | 5 | - | 8 |
| - | - | - | - | - | - |
| A inv. | - | - | 6 | 4 | 9 |
| B inv. | - | - | 7 | 6 | 7 |
| N inv. | - | - | 8 | - | 10 |
| n. c. | - | - | - | 7, 8 | 2, 5, 11, 12 |
| Shield | - | - | - | - | - |
up to 2500 PPR
up to 5000 PPR
(higher frequency) 1200 up to 25000 PPR
1024, 2048 PPR
| Max. RPM: | 3500 rpm |
| Permitted Shaft-Loading, axial: | 100 N [10.197 kp] |
| Permitted Shaft-Loading, radial: | 110 N [11.216 kp] |
| Max. PPR: | 25000 ppr |
| Starting-torque: | approx. 4 Ncm [5.664 in-ozf] at ambient temperature |
The WDGI 58B shaft encoder is also optionally available with a pressure equalising membrane. This prevents water from penetrating into the encoder housing in the case of high air humidity.
The IP67 protection level, temperature range and salt spray resistance are maintained. Resistant to chemicals and solvents in accordance with DIN EN ISO 2812-1.
Please extend the standard order code with a three figure number, specifying the cable length in decimetres.
Example: 5 m cable = 050

- Die-cast aluminium housing, powder coated
- Maximum bearing loads of up to 500 N, axial / radial
- Self-adhesive membrane
- High output frequency 600 kHz / 2 MHz
- Extended operating temperature -40 °C to +85 °C

- Incremental and absolute encoders
- Digital shaft copying
- Made in Germany
- Motorfeedback
- Position Measurement Systems

Female connector KI-4-67:
Suitable for encoder with sensor connector outlet SB4 and SC4, 4 pin, IP67
Ready-made shielded connection cable with female cable connector straight,
shield connected.

Female connector KIA-4-67:
Suitable for encoder with sensor connector outlet SB4 and SC4, 4 pin, IP67
Ready-made shielded connection cable with female cable connector angular,
shield connected.

Female connector KI-5-67:
Suitable for encoder with sensor connector outlet SB5 and SC5, 5 pin, IP67
Ready-made shielded connection cable with female cable connector straight,
shield connected.

Female connector KIA-5-67:
Suitable for encoder with sensor connector outlet SB5 and SC5, 5 pin, IP67
Ready-made shielded connection cable with female cable connector angular,
shield connected.

Female connector KD-5-40:
Suitable for encoder with connector outlet SI/SH, 5 pin, IP40
Straight female connector or
straight connector with ready made cable.
With female thread M16 x 0.75.

Female connector KD-5-67:
Suitable for encoder with connector outlet SI/SH, 5 pin, IP67
Straight female connector or
straight connector with ready made cable.
With female thread M16 x 0.75.

Female connector KDA-6-67:
Suitable for encoder with connector outlet SI/SH, 6 pin, IP67
Angular female connector or
angular connector with ready made cable.

Female connector KD-7-40:
Suitable for encoder with connector outlet S2/S3,, 7 pin, IP40
Straight female connector or
straight connector with ready made cable.
With female thread M16 x 0.75.

Female connector KDA-7-40:
Suitable for encoder with connector outlet S2/S3, 7 pin, IP40
Angular female connector or
angular connector with ready made cable.
With female thread M16 x 0.75.

Female connector KD-7-67:
Suitable for encoder with connector outlet S2/S3, 7 pin, IP67
Straight female connector or
straight connector with ready made cable.
With female thread M16 x 0.75.

Female connector KDA-7-67:
Suitable for encoder with connector outlet S2/S3, 7 pin, IP67
Angular female connector or
angular connector with ready made cable.
With female thread M16 x 0.75.

Female connector KI-8-67:
Suitable for encoder with sensor connector outlet SB8 and SC8, 8 pin, IP67
Ready-made shielded connection cable with female cable connector straight,
shield connected.

Female connector KIA-8-67:
Suitable for encoder with sensor connector outlet SB8 and SC8, 8 pin, IP67
Ready-made shielded connection cable with female cable connector angular,
shield connected.

Female connector KD-8-40:
Suitable for encoder with connector outlet SI/SH, 8 pin, IP40
Straight female connector or
straight female connector with ready made cable.

Female connector KD-8-67:
Suitable for encoder with connector outlet SI/SH, 8 pin, IP67
Straight female connector or
straight female connector with ready made cable.

Female connector KDA-8-67:
Suitable for encoder with connector outlet SI/SH, 8 pin, IP67
Angular female connector or
angular connector with ready made cable.
With female thread M16 x 0.75.

Female connector KDA-8-67-S:
Suitable for encoder with connector outlet SI/SH, 8 pin, IP67
Angular female connector, shieldable or
angular connector with ready made cable, shield connected.

Female connector KI-12-67:
Suitable for encoder with sensor connector outlet SB12 and SC12, 12 pin, IP67
Ready-made shielded connection cable with female cable connector straight,
shield connected.

Female connector KIA-12-67:
Suitable for encoder with sensor connector outlet SB12 and SC12, 12 pin, IP67
Ready-made shielded connection cable with female cable connector angular,
shield connected.

Female connector KDA-12-67:
Suitable for encoder with connector outlet S4/S5, S4R/S5R, 12 pin, IP67
Angular female connector or
angular connector with ready made cable.
Clockwise or anti-clockwise.
Insert any mountable.

Female connector KD-SH12-67:
Suitable for encoder with connector outlet SI/SH, 12 pin, IP67
Straight female connector or
straight connector with ready made cable.

Female connector KD-8-40-15-S-DIZ:
For frequency inverters: Emotron
Suitable for encoder with connector outlet SI8 and SH8, 8 pin, IP40.
Connector (Sub-D 15 pin, 2 rows).
Ready-made shielded connection cable with female cable connector straight and Sub-D connector.
Female connector/ housing / connector housing electrically connected.

Female connector KD-8-40-15-S-RST:
For frequency inverters: RST
Suitable for encoder with connector outlet SI8 and SH8, 8 pin, IP40.
Connector (Sub-D 15 pin, 2 rows).
Ready-made shielded connection cable with female cable connector straight and Sub-D connector.
Female connector/ housing / connector housing electrically connected.

Female connector KD-8-40-15-S-SDR:
For controller: Schindler MX
Suitable for encoder with connector outlet SI8 and SH8, 8 pin, IP40.
Connector (Sub-D 15 pin, 2 rows).
Ready-made shielded connection cable with female cable connector straight and Sub-D connector
Female connector/ housing / connector housing electrically connected.

Female connector KD-8-40-15-S-CTF:
For frequency inverters: Control Techniques
Suitable for encoder with connector outlet SI8 and SH8, 8 pin, IP40.
Connector (Sub-D 15 pin, 3 rows).
Ready-made shielded connection cable with female cable connector straight and Sub-D connector
Female connector/ housing / connector housing electrically connected.

Female connector KD-8-40-15-S-KEB:
For frequency inverters: KEB
Suitable for encoder with connector outlet SI8 and SH8, 8 pin, IP40.
connector (Sub-D 15 pin, 3 rows).
Ready-made shielded connection cable with female cable connector straight and Sub-D connector
Female connector/ housing / connector housing electrically connected.

Female connector KD-8-40-15-S-LOH:
For frequency inverters: Flender Loher, type Dynavert L
Suitable for encoder with connector outlet SI8 and SH8, 8 pin, IP40.
connector (Sub-D 15 pin, 3 rows).
Ready-made shielded connection cable with female cable connector straight and Sub-D connector
Female connector/ housing / connector housing electrically connected.

Female connector KD-8-40-15-S-LIF:
For frequency inverters: Liftequip
Suitable for encoder with connector outlet SI8 and SH8, 8 pin, IP40.
Connector (Sub-D 9 pin, 2 rows).
Ready-made shielded connection cable with female cable connector straight and Sub-D connector.
Female connector/ housing / connector housing electrically connected.

Female connector KD-8-40-15-S-ZIL:
For frequency inverters: Ziehl-Abegg
Suitable for encoder with connector outlet SI8 and SH8, 8 pin, IP40.
connector (Sub-D 9 pin, 2 rows).
Ready-made shielded connection cable with female cable connector straight and Sub-D connector.
Female connector/ housing / connector housing electrically connected.

Mounting angle MW58B
suitable for inkremental encoder WDGI 58B, 58K, 58D, 58N, WDG 58T and
absolute encoder WDGA 58B, WDGA 58D.

Square flange QF58B
suitable for incremental encoder WDGI 58B, 58K, 58D, 58N, WDG 58T and
absolute encoder WDGA 58B, WDGA 58D.

Square flange WDGQF58B04
suitable for incremental encoder WDGI 58B, 58K, 58D, 58N, WDG 58T and
absolute encoder WDGA 58B, WDGA 58D.

Clamping claw SP-3-00
suitable for incremental encoder WDG 40A, 50B, 58T, WDGI 58A, 58B, 58C, 58D, 58K, 63B, WDGP 36A, WDGP 58A, WDGP 58B and absolute encoder WDGA 36A, WDGA 58A, WDGA 58B.

Bellows coupling BK29
for encoder with shaft Ø 6 mm, 8 mm, 10 mm or 12 mm*.
Max. offset of shafts radial: ± 0,25 mm or ± 0,30 mm*
Torsion spring stiffness: 150 Nm/rad or 130 Nm/rad*

Double loop coupling DSK29
for encoder with shaft Ø 6 mm, 8 mm or 10 mm.
No moving parts, thermally and electrically insulating, smooth running, maintenance-free.
Good resistance to
Gasoline, oil, benzene, toluene, aromatic and non aromatic hydrocarbons, alcohols, glycols, solvents and many chemicals.

Double loop coupling DSK38
for encoder with shaft Ø 6 mm, 8 mm, 10 mm or 12 mm.
No moving parts, thermally and electrically insulating, smooth running, maintenance-free.
Good resistance to
Gasoline, oil, benzene, toluene, aromatic and non aromatic hydrocarbons, alcohols, glycols, solvents and many chemicals.

Double loop coupling DSK48
for encoder with shaft Ø 10 mm, 12 mm or 14 mm.
No moving parts, thermally and electrically insulating, smooth running, maintenance-free.
Good resistance to
Gasoline, oil, benzene, toluene, aromatic and non aromatic hydrocarbons, alcohols, glycols, solvents and many chemicals.

Spring-loaded arm for encoder types
58B, 58D, 58K, 58N and 58T
for length determination

Spring-loaded arm for encoder types
58B, 58D, 58K, 58N and 58T
for length determination

Spring-loaded arm for encoder types
58B, 58D, 58K, 58N and 58T
for length determination

Linear equilization shaft encoder holder for encoder types 58B, 58D, 58K, 58N and 58T
for lenght determination

Measuring wheel MR150GR06
Circumference: 150 mm,
Surface finish: O-ring 3,5 mm, material NBR70
Fields of application: Wood, metal, conveyor belts, paper, textiles.
For encoders with shaft Ø 6 mm.

Measuring wheel MRA200GR10
Circumference: 200 mm,
Surface finish: O-ring 3,5 mm, material NBR70
Fields of application: Wood, painted surfaces, paper, plastics.
For encoders with shaft Ø 10 mm.

Measuring wheels MRA200KR
Circumference 200 mm,
Surface finish: Metal, knurled
Fields of application: Pasteboard, wood, textiles, rubber, soft plastic.
For encoder with shaft Ø 6 mm, Ø 10 mm or Ø 12 mm.

Measuring wheels MR200KH
Circumference 200 mm,
Surface finish: Synthetic (Hytrel, even)
Fields of application: Plastic, painted surfaces, paper, pasteboard, wood, metal, textiles.
For encoder with shaft Ø 6 mm or 10 mm.

Measuring wheels MRA200KH
Circumference 200 mm,
Surface finish: Synthetic (Polyurethan, even)
Fields of application: greased metal, steal profiles, painted surfaces, plastic, paper, pasteboard, wood, textiles, wire, leather.
For encoder with shaft Ø 6 mm, Ø 10 mm or Ø 12 mm.

Measuring wheels MRA200NG
Circumference 200 mm,
Surface finish: Synthetic (pimpled Polyurethan)
Fields of application: rough textiles, carpet, cable measuring, fleece, paper, pasteboard, wood, plastic.
For encoder with shaft Ø 6 mm, Ø 10 mm or Ø 12 mm.

Measuring wheels MR200KG
Circumference 200 mm,
Surface finish: Synthetic (Hytrel, fluted)
Fields of application: Plastic, painted surfaces, paper, pasteboard, wood, metal, textiles.
For encoder with shaft Ø 6 mm or 10 mm.

Measuring wheels MRA200KG
Circumference 200 mm,
Surface finish: Synthetic (Polyurethan, fluted)
Fields of application: metal ungreased, painted surfaces, plastic, paper, pasteboard, wood, textiles, glas, floor coverings.
For encoder with shaft Ø 6 mm, Ø 10 mm or Ø 12 mm.

Measuring wheels MRA500KR
Circumference 500 mm,
Surface finish: Metal, knurled
Fields of application: Pasteboard, wood, textiles, rubber, soft plastic.
For encoder with shaft Ø 10 mm or Ø 12 mm.

Measuring wheel MR500KH
Circumference 500 mm,
Surface finish: Synthetic (Hytrel, even)
Fields of application: Plastic, painted surfaces, paper, pasteboard, wood, metal, textiles.
For encoder with shaft Ø 10 mm.

Measuring wheels MRA500KH
Circumference 500 mm,
Surface finish: Synthetic (Polyurethan, even)
Fields of application: greased metal, steal profiles, painted surfaces, plastic, paper, pasteboard, wood, textiles, wire, leather.
For encoder with shaft Ø 10 mm or Ø 12 mm.

Measuring wheel MR500KG
Circumference 500 mm,
Surface finish: Synthetic (Hytrel, fluted)
Fields of application: Plastic, painted surfaces, paper, pasteboard, wood, metal, textiles.
For encoder with shaft Ø 10 mm.

Measuring wheels MRA500KG
Circumference 500 mm,
Surface finish: Synthetic (Polyurethan, fluted)
Fields of application: metal ungreased, painted surfaces, plastic, paper, pasteboard, wood, textiles, glas, floor coverings.
For encoder with shaft Ø 10 mm or Ø 12 mm.

Measuring wheel MR500KV
Circumference 500 mm,
Surface finish: Synthetic (Vulkollan®, even)
Fields of application: Plastic, painted surfaces, paper, pasteboard, wood, metal, wire .
For encoder with shaft Ø 10 mm.

Measuring wheels MRA500NG
Circumference 500 mm,
Surface finish: Synthetic (pimpled Polyurethan)
Fields of application: rough textiles, carpet, cable measuring, fleece, paper, pasteboard, wood, plastic.
For encoder with shaft Ø 10 mm or Ø 12 mm.
Here you find a list of our distributors worldwide














































































