Incremental shaft encoder configurable via Smartphone (NFC),
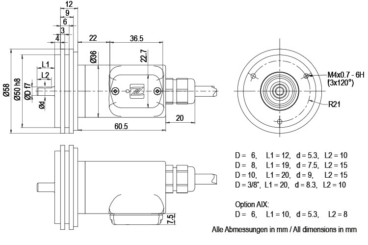
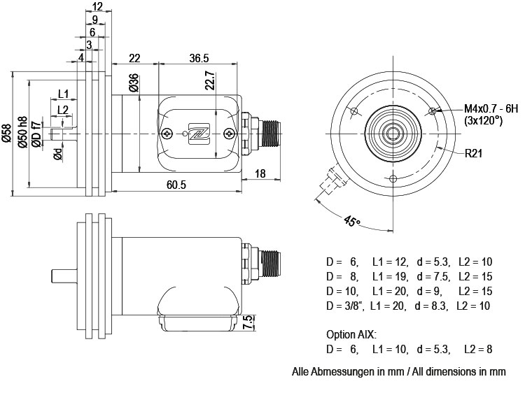
Synchro flange: Ø 58 mm [2.283"]
Shaft Ø: 6 mm [0.236"], 8 mm [0.315"],
9.525 mm [3/8"], 10 mm [0.394"]
resolution up to 16384 ppr and HTL/TTL configurable via NFC,
Signal shape: square-wave,
Operating principle: magnetic.
- Due to high quality electronics any number of pulses up to 16384 configurable via NFC
- HTL/TTL configurable via NFC
- Protection class IP67, at shaft input IP65
- High output frequency up to 1 MHz
- Reverse polarity protection and short-circuit protection at 4.75 VDC to 32 VDC
Advice: Attention: No option AAO = full IP67 version
Shaft length: L: 12 mm [0.472"]
Max. Permissible shaft loading radial: 125 N [12.746 kp]
Max. Permissible shaft loading axial: 120 N [12.236 kp]
Shaft length: L: 19 mm [0.748"]
Max. Permissible shaft loading radial: 125 N [12.746 kp]
Max. Permissible shaft loading axial: 120 N [12.236 kp]
Shaft length: L: 20 mm [0.787"]
Max. Permissible shaft loading radial: 220 N [22.433 kp]
Max. Permissible shaft loading axial: 120 N [12.236 kp]
Shaft length: L: 20 mm [0.787"]
Max. Permissible shaft loading radial: 220 N [22.433 kp]
Max. Permissible shaft loading axial: 120 N [12.236 kp]
Current consumption: typ. 80 mA
Nullimpuls setzen:
Setzen: SET = +UB für 2 s
Deaktiviert: SET = GND
Configurable via NFC:
BASIC: (BAS)
Channels:
ABN and inverted
HTL / TTL
freely selectable
Pulses / revolution:
1 ppr up to 16384 ppr freely selectable
Advanced (ADV):
Channels:
4 channels configurable + inv. signals (ABN possible)
HTL / TTL:
freely selectable
Pulses / revolution:
1 ppr up to 16384 ppr freely selectable
Number of pulses for each channel:
individually selectable
Set zero pulse:
yes
Pulse width and position:
Width and position adjustable
Environmental data
Noise immunity:
ESD (DIN EN 61000-4-2):
8 kV
EMC:
(DIN EN 61000-4-3):
10 V/m
Burst (DIN EN 61000-4-4):
2 kV
High frequency fields
(DIN EN 61000-4-6):
10 V
Surge (DIN EN 61000-4-5):
2 kV
Radio interference:
According DIN EN 55011
NFC:
EMC:
According ETSI EN 301 489
RED:
According ETSI EN 300 330
Electrical safety:
DIN EN 61010-1 (VDE 0411-1) / IEC 61010-1 / UL 61010-1 / CSA C22.0 No 61010-1-12
Vibration:
(DIN EN 60068-2-6)
300 m/s2 (10 Hz up to 2000 Hz)
Shock:
(DIN EN 60068-2-27)
1000 m/s2 (6 ms)
Duty information
Customs tariff number:
90318020
Country of origin:
Germany
| Description | ABN inv. poss. | |
|---|---|---|
| L2 | axial, shield connected to encoder housing | ● |
| L2 | |
| Circuit | BAS |
| GND | WH |
| (+) Vcc | BN |
| A | GN |
| B | YE |
| N | GY |
| A inv. | RD |
| B inv. | BK |
| N inv. | VT |
| Shield | flex |
| Description | ABN inv. poss. | |
|---|---|---|
| L2 | axial, shield connected to encoder housing | ● |
| L2 | |
| Circuit | ADV |
| GND | WH |
| (+) Vcc | BN |
| CH1 | GN |
| CH2 | YE |
| CH3 | GY |
| CH4 | GYPK |
| SET | PK |
| CH1 inv. | RD |
| CH2 inv. | BK |
| CH3 inv. | VT |
| CH4 inv. | RDBU |
| Shield | flex |
| Description | ABN inv. poss. | |
|---|---|---|
| L3 | radial, shield connected to encoder housing | ● |
| L3 | |
| Circuit | BAS |
| GND | WH |
| (+) Vcc | BN |
| A | GN |
| B | YE |
| N | GY |
| A inv. | RD |
| B inv. | BK |
| N inv. | VT |
| Shield | flex |
| Description | ABN inv. poss. | |
|---|---|---|
| L3 | radial, shield connected to encoder housing | ● |
| L3 | |
| Circuit | ADV |
| GND | WH |
| (+) Vcc | BN |
| CH1 | GN |
| CH2 | YE |
| CH3 | GY |
| CH4 | GYPK |
| SET | PK |
| CH1 inv. | RD |
| CH2 inv. | BK |
| CH3 inv. | VT |
| CH4 inv. | RDBU |
| Shield | flex |
| Description | ABN inv. poss. | |
|---|---|---|
| K1 | radial, shield not connected (IP40) | ● |
| K1 | |
| Circuit | BAS |
| GND | WH |
| (+) Vcc | BN |
| A | GN |
| B | YE |
| N | GY |
| A inv. | RD |
| B inv. | BK |
| N inv. | VT |
| Shield | flex |
| Description | ABN inv. poss. | |
|---|---|---|
| K1 | radial, shield not connected (IP40) | ● |
| K1 | |
| Circuit | ADV |
| GND | WH |
| (+) Vcc | BN |
| CH1 | GN |
| CH2 | YE |
| CH3 | GY |
| CH4 | GYPK |
| SET | PK |
| CH1 inv. | RD |
| CH2 inv. | BK |
| CH3 inv. | VT |
| CH4 inv. | RDBU |
| Shield | flex |
| Description | ABN inv. poss. | |
|---|---|---|
| SB8 | axial, 8-pin, Connector connected to encoder housing | ● |
| Description | ABN inv. poss. | |
|---|---|---|
| SB12 | axial, 12-pin, Connector connected to encoder housing | ● |
| Description | ABN inv. poss. | |
|---|---|---|
| SC8 | radial, 8-pin, Connector connected to encoder housing | ● |
| Description | ABN inv. poss. | |
|---|---|---|
| SC12 | radial, 12-pin, Connector connected to encoder housing | ● |
configurable 1-16384 PPR
The encoder WDGN 58A can be supplied in a IP67 version.
(full IP67 only connection SB, SC, L2 or L3 version; not cable connection L1 = IP40).
Max. RPM: 3500 min'-1
Permitted Shaft-Loading: axial 100 N [10.197 kp]; radial 110 N [11.216 kp]
Starting-torque: approx. 4 Ncm [5.664 in-ozf] at ambient temperature
The encoder WDGN 58A shaft: Ø 6 mm [0.236"] is also available with a shortened shaft L = 10 mm [0.394"].
Please extend the standard order code with a three figure number, specifying the cable length in decimetres.
Example: 5 m cable = 050
Download Wachendorff App IOS Encoder WDGN
By downloading and using software and apps
from this homepage, I agree to the GTC and
the supplementary software clause.
Downloadlink Wachendorff App Android encoder WDGN
By downloading and using software and apps
from this homepage, I agree to the GTC and
the supplementary software clause.
Downloadlink Wachendorff App Huawei Encoder WDGN
By downloading and using software and apps
from this homepage, I agree to the GTC and
the supplementary software clause.

NFC configurable via Wachendorff App (IOS, Android, Huawei)

for Wachendorff Automation GmbH & Co. KG.

Counter for incremental encoders, 1 MHz
High Speed position counters and differential counters
for incremental encoder signals.

Female connector KI-8-67:
Suitable for encoder with sensor connector outlet SB8 and SC8, 8 pin, IP67
Ready-made shielded connection cable with female cable connector straight,
shield connected.

Female connector KIA-8-67:
Suitable for encoder with sensor connector outlet SB8 and SC8, 8 pin, IP67
Ready-made shielded connection cable with female cable connector angular,
shield connected.

Female connector KI-12-67-ADV:
Suitable for NFC encoder WDGN configurable via NFC with sensor connector outlet SB12 and SC12, 12 pin, IP67
Ready-made shielded connection cable with female cable connector straight,
shield connected.

Female connector KIA-12-67-ADV:
Suitable for encoder WDGN configurable via NFC with sensor connector outlet SB12 and SC12, 12 pin, IP67
Ready-made shielded connection cable with female cable connector angular,
shield connected.

Clamping claw SP-3-00
suitable for incremental encoder WDG 40A, 50B, 58T, WDGI 58A, 58B, 58C, 58D, 58K, 63B, WDGP 36A, WDGP 58A, WDGP 58B and absolute encoder WDGA 36A, WDGA 58A, WDGA 58B.

Bellows coupling BK29
for encoder with shaft Ø 6 mm, 8 mm, 10 mm or 12 mm*.
Max. offset of shafts radial: ± 0,25 mm or ± 0,30 mm*
Torsion spring stiffness: 150 Nm/rad or 130 Nm/rad*

Double loop coupling DSK29
for encoder with shaft Ø 6 mm, 8 mm or 10 mm.
No moving parts, thermally and electrically insulating, smooth running, maintenance-free.
Good resistance to
Gasoline, oil, benzene, toluene, aromatic and non aromatic hydrocarbons, alcohols, glycols, solvents and many chemicals.

Double loop coupling DSK38
for encoder with shaft Ø 6 mm, 8 mm, 10 mm or 12 mm.
No moving parts, thermally and electrically insulating, smooth running, maintenance-free.
Good resistance to
Gasoline, oil, benzene, toluene, aromatic and non aromatic hydrocarbons, alcohols, glycols, solvents and many chemicals.

Measuring wheels MRA200KR
Circumference 200 mm,
Surface finish: Metal, knurled
Fields of application: Pasteboard, wood, textiles, rubber, soft plastic.
For encoder with shaft Ø 6 mm, Ø 10 mm or Ø 12 mm.

Measuring wheels MR200KH
Circumference 200 mm,
Surface finish: Synthetic (Hytrel, even)
Fields of application: Plastic, painted surfaces, paper, pasteboard, wood, metal, textiles.
For encoder with shaft Ø 6 mm or 10 mm.

Measuring wheels MRA200KH
Circumference 200 mm,
Surface finish: Synthetic (Polyurethan, even)
Fields of application: greased metal, steal profiles, painted surfaces, plastic, paper, pasteboard, wood, textiles, wire, leather.
For encoder with shaft Ø 6 mm, Ø 10 mm or Ø 12 mm.

Measuring wheels MRA200NG
Circumference 200 mm,
Surface finish: Synthetic (pimpled Polyurethan)
Fields of application: rough textiles, carpet, cable measuring, fleece, paper, pasteboard, wood, plastic.
For encoder with shaft Ø 6 mm, Ø 10 mm or Ø 12 mm.

Measuring wheels MR200KG
Circumference 200 mm,
Surface finish: Synthetic (Hytrel, fluted)
Fields of application: Plastic, painted surfaces, paper, pasteboard, wood, metal, textiles.
For encoder with shaft Ø 6 mm or 10 mm.

Measuring wheels MRA200KG
Circumference 200 mm,
Surface finish: Synthetic (Polyurethan, fluted)
Fields of application: metal ungreased, painted surfaces, plastic, paper, pasteboard, wood, textiles, glas, floor coverings.
For encoder with shaft Ø 6 mm, Ø 10 mm or Ø 12 mm.

Measuring wheel MR150GR06
Circumference: 150 mm,
Surface finish: O-ring 3,5 mm, material NBR70
Fields of application: Wood, metal, conveyor belts, paper, textiles.
For encoders with shaft Ø 6 mm.

Measuring wheel MR500KG
Circumference 500 mm,
Surface finish: Synthetic (Hytrel, fluted)
Fields of application: Plastic, painted surfaces, paper, pasteboard, wood, metal, textiles.
For encoder with shaft Ø 10 mm.

Measuring wheels MRA500KR
Circumference 500 mm,
Surface finish: Metal, knurled
Fields of application: Pasteboard, wood, textiles, rubber, soft plastic.
For encoder with shaft Ø 10 mm or Ø 12 mm.

Measuring wheels MRA500KH
Circumference 500 mm,
Surface finish: Synthetic (Polyurethan, even)
Fields of application: greased metal, steal profiles, painted surfaces, plastic, paper, pasteboard, wood, textiles, wire, leather.
For encoder with shaft Ø 10 mm or Ø 12 mm.

Measuring wheel MR500KH
Circumference 500 mm,
Surface finish: Synthetic (Hytrel, even)
Fields of application: Plastic, painted surfaces, paper, pasteboard, wood, metal, textiles.
For encoder with shaft Ø 10 mm.

Measuring wheels MRA500KG
Circumference 500 mm,
Surface finish: Synthetic (Polyurethan, fluted)
Fields of application: metal ungreased, painted surfaces, plastic, paper, pasteboard, wood, textiles, glas, floor coverings.
For encoder with shaft Ø 10 mm or Ø 12 mm.

Measuring wheel MR500KV
Circumference 500 mm,
Surface finish: Synthetic (Vulkollan®, even)
Fields of application: Plastic, painted surfaces, paper, pasteboard, wood, metal, wire .
For encoder with shaft Ø 10 mm.

Measuring wheels MRA500NG
Circumference 500 mm,
Surface finish: Synthetic (pimpled Polyurethan)
Fields of application: rough textiles, carpet, cable measuring, fleece, paper, pasteboard, wood, plastic.
For encoder with shaft Ø 10 mm or Ø 12 mm.

Measuring wheel MRA200GR10
Circumference: 200 mm,
Surface finish: O-ring 3,5 mm, material NBR70
Fields of application: Wood, painted surfaces, paper, plastics.
For encoders with shaft Ø 10 mm.
Here you find a list of our distributors worldwide

















































