deenfresitcntr
WDGI 58K

Shaft Encoder incremental,
Resolution: up to 25000 ppr,
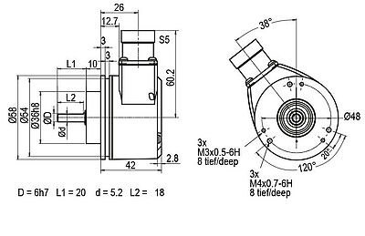
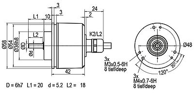
Clamping flange: Ø 58 mm [2.283"]

Shaft Ø: 6 mm [0.236"],
Protection rating: up to IP67 all around,
Signal shape: square-wave or sine/cosine,
Operating principle: optical.

Data sheetGeneral technical data incremental encoders (PDF 891 kB)
Drehgeber WDGI58K
Illustration similar
Highlights
  • Rugged industrial standard encoder
  • Housing cap die cast aluminum,
    with particularly eco-friendly powder coating
  • Up to 25000 PPR by use of high grad electronics
  • Protection to IP67, shaft sealed to IP65
  • Maximum mechanical and electrical safety
  • Full connection protection with 10 VDC up to 30 VDC
  • High output frequency 600 kHz/2 MHz
  • Optional:
    -40 °C up to +85 °C [-40 °F up to +185 °F],
    Protection to IP67 all around,
    Pressure equalising membrane
Product details
Flange
clamping flange
Pulses per revolution PPR
up to 25000 PPR
Housing
Ø 58 mm [Ø 2.283"]
die cast aluminum, powder coated
Shaft
Ø 6 mm [Ø 0.236"]
Shaft length: L: 18 mm [0.709"]
Max. Permissible shaft loading radial: 80 N [8.157 kp]
Max. Permissible shaft loading axial: 50 N [5.098 kp]
Max. operating speed
8000 rpm
Operating principle
optical
Output circuit
TTL
TTL, RS422 compatible, inv.
HTL
HTL, inv.
1 Vpp sin/cos
Output frequency
TTL ≤ 5000 ppr, max. 200 kHz
HTL ≤ 5000 ppr, max. 200 kHz
TTL more than 1200 ppr, max. 2 MHz
HTL more than 1200 ppr, max. 600 kHz
1 Vpp sin/cos, max. 100 kHz
Power supply
4,75 VDC up to 5,5 VDC
Current consumption: typ. 70 mA (100 mA only F05, P05)
5 VDC up to 30 VDC
Current consumption: typ. 70 mA
10 VDC up to 30 VDC
Current consumption: typ. 70 mA (100 mA only F24, P24, 645)

Environmental data

ESD (DIN EN 61000-4-2):

8 kV

Burst (DIN EN 61000-4-4):

2 kV

includes EMC:

DIN EN 61000-6-2
DIN EN 61000-6-3

Vibration:
(DIN EN 60068-2-6)

50 m/s2 (10 Hz up to 2000 Hz)

Shock:
(DIN EN 60068-2-27)

1000 m/s2 (6 ms)

Electrial Safety:

according DIN VDE 0160

Duty information

Customs tariff number:

90318020

Country of origin:

Germany

Operating temperature
Connector: -40 °C up to +85 °C, Cable: -20 °C up to +80 °C (Option ACA: -40 °C up to +85 °C). Connector: -40 °F up to +185 °F, Cable: -4 °F up to +176 °F, Option ACA: -40 °F up to +185 F°
1 Vpp: -10 °C up to +70 °C [+14 °F up to +158 °F]
Protection class
Housing: IP65, IP67; shaft sealed: IP65
All dimensional specifications in mm
STEP viewer / STEP data:

Your desired STEP file is not listed:
Request STEP file here

DescriptionABN inv. poss.
K2axial, shield not connected
L2axial, shield connected to encoder housing
Assignments
 K2, L2K2, L2L2
CircuitF05, H05, F24, H24, H30P05, R05, P24, R24, 245, 645, R30SIN
GNDWHWHWH
(+) VccBNBNBN
AGNGNGN
BYEYEGY
NGYGY-
----
A inv.-RDYE
B inv.-BK, (BU at ACA)PK
N inv.-VT-
Shieldflexflexflex
All dimensional specifications in mm
STEP viewer / STEP data:

Your desired STEP file is not listed:
Request STEP file here

DescriptionABN inv. poss.
K3radial, shield not connected
L3radial, shield connected to encoder housing
Assignments
 K3, L3K3, L3L3
CircuitF05, H05, F24, H24, H30P05, R05, P24, R24, 245, 645, R30SIN
GNDWHWHWH
(+) VccBNBNBN
AGNGNGN
BYEYEGY
NGYGY-
----
A inv.-RDYE
B inv.-BK, (BU at ACA)PK
N inv.-VT-
Shieldflexflexflex
All dimensional specifications in mm
STEP viewer / STEP data:

Your desired STEP file is not listed:
Request STEP file here

DescriptionABN inv. poss.
SI5axial, 5-pin, Connector connected to encoder housing-
SI6axial, 6-pin, Connector connected to encoder housing-
SI8axial, 8-pin, Connector connected to encoder housing
SI12axial, 12-pin, Connector connected to encoder housing
Assignments
SI5SI6SI8SI8SI12SI12
 5-pin6-pin8-pin8-pin12-pin12-pin
connector drawing
CircuitF05, H05, F24, H24, H30F05, H05, F24, H24, H30P05, R05, P24, R24, R30, 245, 645SINP05, R05, P24, R24, 245, 645, R30SIN
GND1611K, LK, L
(+) Vcc2122M, BM, B
A3233EE
B4444HH
N535-C-
-------
A inv.--66FF
B inv.--77AA
N inv.--8-D-
n. c.-5-5, 8G, JD, G, J
Shield------
All dimensional specifications in mm
STEP viewer / STEP data:

Your desired STEP file is not listed:
Request STEP file here

DescriptionABN inv. poss.
SH5radial, 5-pin, Connector connected to encoder housing-
SH6radial, 6-pin, Connector connected to encoder housing-
SH8radial, 8-pin, Connector connected to encoder housing
SH12radial, 12-pin, Connector connected to encoder housing
Assignments
SH5SH6SH8SH8SH12SH12
 5-pin6-pin8-pin8-pin12-pin12-pin
connector drawing
CircuitF05, H05, F24, H24, H30F05, H05, F24, H24, H30P05, R05, P24, R24, R30, 245, 645SINP05, R05, P24, R24, 245, 645, R30SIN
GND1611K, LK, L
(+) Vcc2122M, BM, B
A3233EE
B4444HH
N535-C-
-------
A inv.--66FF
B inv.--77AA
N inv.--8-D-
n. c.-5-5, 8G, JD, G, J
Shield------
All dimensional specifications in mm
STEP viewer / STEP data:

Your desired STEP file is not listed:
Request STEP file here

DescriptionABN inv. poss.
S2axial, 7-pin, Connector connected to encoder housing-
Assignments
S2
 7-pin
connector drawing
CircuitF05, H05, F24, H24, H30
GND1
(+) Vcc2
A3
B4
N5
--
A inv.-
B inv.-
N inv.-
n. c.6, 7
Shield-
All dimensional specifications in mm
STEP viewer / STEP data:

Your desired STEP file is not listed:
Request STEP file here

DescriptionABN inv. poss.
S3radial, 7-pin, Connector connected to encoder housing-
Assignments
S3
 7-pin
connector drawing
CircuitF05, H05, F24, H24, H30
GND1
(+) Vcc2
A3
B4
N5
--
A inv.-
B inv.-
N inv.-
n. c.6, 7
Shield-
All dimensional specifications in mm
STEP viewer / STEP data:

Your desired STEP file is not listed:
Request STEP file here

DescriptionABN inv. poss.
S4axial, 12-pin, Connector connected to encoder housing
Assignments
S4S4S4
 12-pin12-pin12-pin
connector drawing
CircuitF05, H05, F24, H24, H30P05, R05, P24, R24, 245, 645, R30SIN
GND101010
(+) Vcc121212
A555
B888
N33-
----
A inv.-66
B inv.-11
N inv.-4-
n. c.1, 2, 4, 6, 7, 9, 112, 7, 9, 112, 3, 4, 7, 9, 11
Shield---
All dimensional specifications in mm
STEP viewer / STEP data:

Your desired STEP file is not listed:
Request STEP file here

DescriptionABN inv. poss.
S5radial, 12-pin, Connector connected to encoder housing
Assignments
S5S5S5
 12-pin12-pin12-pin
connector drawing
CircuitF05, H05, F24, H24, H30P05, R05, P24, R24, 245, 645, R30SIN
GND101010
(+) Vcc121212
A555
B888
N33-
----
A inv.-66
B inv.-11
N inv.-4-
n. c.1, 2, 4, 6, 7, 9, 112, 7, 9, 112, 3, 4, 7, 9, 11
Shield---
All dimensional specifications in mm
STEP viewer / STEP data:

Your desired STEP file is not listed:
Request STEP file here

DescriptionABN inv. poss.
S4Raxial, 12-pin, Connector connected to encoder housing
Assignments
S4RS4RS4R
 12-pin12-pin12-pin
connector drawing
CircuitF05, H05, F24, H24, H30P05, R05, P24, R24, 245, 645, R30SIN
GND101010
(+) Vcc121212
A555
B888
N33-
----
A inv.-66
B inv.-11
N inv.-4-
n. c.1, 2, 4, 6, 7, 9, 112, 7, 9, 112, 3, 4, 7, 9, 11
Shield---
All dimensional specifications in mm
STEP viewer / STEP data:

Your desired STEP file is not listed:
Request STEP file here

DescriptionABN inv. poss.
S5Rradial, 12-pin, Connector connected to encoder housing
Assignments
S5RS5RS5R
 12-pin12-pin12-pin
connector drawing
CircuitF05, H05, F24, H24, H30P05, R05, P24, R24, 245, 645, R30SIN
GND101010
(+) Vcc121212
A555
B888
N33-
----
A inv.-66
B inv.-11
N inv.-4-
n. c.1, 2, 4, 6, 7, 9, 112, 7, 9, 112, 3, 4, 7, 9, 11
Shield---
All dimensional specifications in mm
STEP viewer / STEP data:

Your desired STEP file is not listed:
Request STEP file here

DescriptionABN inv. poss.
SB4axial, 4-pin, Connector connected to encoder housing-
SB5axial, 5-pin, Connector connected to encoder housing-
SB8axial, 8-pin, Connector connected to encoder housing
SB12axial, 12-pin, Connector connected to encoder housing
Assignments
SB4SB5SB8SB8SB12
 4-pin5-pin8-pin8-pin12-pin
connector drawing
CircuitF05, H05, F24, H24, H30F05, H05, F24, H24, H30P05, R05, P24, R24, R30, 245, 645SINP05, R05, P24, R24, 245, 645, R30
GND33113
(+) Vcc11221
A24334
B42456
N-55-8
------
A inv.--649
B inv.--767
N inv.--8-10
n. c.---7, 82, 5, 11, 12
Shield-----
All dimensional specifications in mm
STEP viewer / STEP data:

Your desired STEP file is not listed:
Request STEP file here

DescriptionABN inv. poss.
SC4radial, 4-pin, Connector connected to encoder housing-
SC5radial, 5-pin, Connector connected to encoder housing-
SC8radial, 8-pin, Connector connected to encoder housing
SC12radial, 12-pin, Connector connected to encoder housing
Assignments
SC4SC5SC8SC8SC12
 4-pin5-pin8-pin8-pin12-pin
connector drawing
CircuitF05, H05, F24, H24, H30F05, H05, F24, H24, H30P05, R05, P24, R24, R30, 245, 645SINP05, R05, P24, R24, 245, 645, R30
GND33113
(+) Vcc11221
A24334
B42456
N-55-8
------
A inv.--649
B inv.--767
N inv.--8-10
n. c.---7, 82, 5, 11, 12
Shield-----
up to 2500 PPR
Power supply VDC
5 - 30 VDC
Current consumption
typ. 70 mA
Signal shape
square-wave
Output circuit
HTL (TTL at 5 VDC)
Channels
AB, ABN
Output
push-pull
Load
max. 40 mA / channel
Signal level mA
at 20 mA
Signal level H>
H > Vcc -10% Vcc
Signal level L<
L < 2.5 VDC
Output frequency
max. 200 kHz
Circuit protection
inverse-polarity protection only
Light reserve warning
no
Power supply VDC
5 - 30 VDC
Current consumption
typ. 70 mA
Signal shape
square-wave
Output circuit
HTL, inv. (TTL/RS422 comp. at 5 VDC)
Channels
AB, ABN, and inverted signals
Output
push-pull
Load
max. 40 mA / channel
Signal level mA
at 20 mA
Signal level H>
H > Vcc -10% Vcc
Signal level L<
L < 2.5 VDC
Output frequency
max. 200 kHz
Circuit protection
inverse-polarity protection only
Light reserve warning
no
up to 5000 PPR
Power supply VDC
4.75 - 5.5 VDC
Current consumption
typ. 70 mA
Signal shape
square-wave
Output circuit
TTL
Channels
AB, ABN
Output
push-pull
Load
max. 40 mA / channel
Signal level mA
at 20 mA
Signal level H>
H > 2.5 VDC
Signal level L<
L < 0.5 VDC
Output frequency
max. 200 kHz
Circuit protection
no
Light reserve warning
no
Power supply VDC
4.75 - 5.5 VDC
Current consumption
typ. 70 mA
Signal shape
square-wave
Output circuit
TTL, RS422 comp., inverted
Channels
AB, ABN, and inverted signals
Output
push-pull
Load
max. 40 mA / channel
Signal level mA
at 20 mA
Signal level H>
H > 2.5 VDC
Signal level L<
L < 0.5 VDC
Output frequency
max. 200 kHz
Circuit protection
no
Light reserve warning
no
Power supply VDC
10 - 30 VDC
Current consumption
typ. 70 mA
Signal shape
square-wave
Output circuit
HTL
Channels
AB, ABN
Output
push-pull
Load
max. 40 mA / channel
Signal level mA
at 20 mA
Signal level H>
H > Vcc -2.5 VDC
Signal level L<
L < 2.5 VDC
Output frequency
max. 200 kHz
Circuit protection
yes
Light reserve warning
no
Power supply VDC
10 - 30 VDC
Current consumption
typ. 70 mA
Signal shape
square-wave
Output circuit
HTL inverted
Channels
AB, ABN, and inverted signals
Output
push-pull
Load
max. 40 mA / channel
Signal level mA
at 20 mA
Signal level H>
H > Vcc -2.5 VDC
Signal level L<
L < 2.5 VDC
Output frequency
max. 200 kHz
Circuit protection
yes
Light reserve warning
no
Power supply VDC
10 - 30 VDC
Current consumption
typ. 70 mA
Signal shape
square-wave
Output circuit
TTL, RS422 comp., inverted
Channels
AB, ABN, and inverted signals
Output
push-pull
Load
max. 40 mA / channel
Signal level mA
at 20 mA
Signal level H>
H > 2.5 VDC
Signal level L<
L < 1.2 VDC
Output frequency
max. 200 kHz
Circuit protection
inverse-polarity protection only
Light reserve warning
no
(higher frequency) 1200 up to 25000 PPR
Power supply VDC
4.75 - 5.5 VDC
Current consumption
typ. 100 mA
Signal shape
square-wave
Output circuit
TTL
Channels
AB, ABN
Output
push-pull
Load
max. 40 mA / channel
Signal level mA
at 20 mA
Signal level H>
H > 2.5 VDC
Signal level L<
L < 0.5 VDC
Output frequency
max. 2 MHz
Circuit protection
no
Light reserve warning
no
Power supply VDC
4.75 - 5.5 VDC
Current consumption
typ. 100 mA
Signal shape
square-wave
Output circuit
TTL, RS422 comp., inverted
Channels
AB, ABN, and inverted signals
Output
push-pull
Load
max. 40 mA / channel
Signal level mA
at 20 mA
Signal level H>
H > 2.5 VDC
Signal level L<
L < 0.5 VDC
Output frequency
max. 2 MHz
Circuit protection
no
Light reserve warning
no
Power supply VDC
10 - 30 VDC
Current consumption
typ. 100 mA
Signal shape
square-wave
Output circuit
HTL
Channels
ABN
Output
push-pull
Load
max. 40 mA / channel
Signal level mA
at 20 mA
Signal level H>
H > Vcc -2.5 VDC
Signal level L<
L < 2.5 VDC
Output frequency
max. 600 kHz
Circuit protection
yes
Light reserve warning
no
Power supply VDC
10 - 30 VDC
Current consumption
typ. 100 mA
Signal shape
square-wave
Output circuit
HTL inverted
Channels
AB, ABN, and inverted signals
Output
push-pull
Load
max. 40 mA / channel
Signal level mA
at 20 mA
Signal level H>
H > Vcc -2.5 VDC
Signal level L<
L < 2.5 VDC
Output frequency
max. 600 kHz
Circuit protection
yes
Light reserve warning
no
Power supply VDC
10 - 30 VDC
Current consumption
typ. 100 mA
Signal shape
square-wave
Output circuit
TTL, RS422 comp., inverted
Channels
AB, ABN, and inverted signals
Output
push-pull
Load
max. 40 mA / channel
Signal level mA
at 20 mA
Signal level H>
H > 2.5 VDC
Signal level L<
L < 1.2 VDC
Output frequency
max. 2 MHz
Circuit protection
inverse-polarity protection only
Light reserve warning
no
1024, 2048 PPR
Power supply VDC
4.75 - 5.5 VDC
Current consumption
typ. 100 mA without load
Signal shape
sinus
Output circuit
1 Vpp sin/cos
Channels
AB
Output
Sinus, Cosinus
Load
@ 1 Vpp sin/cos: min. 120 Ohm
Signal level
1 Vpp +/- 25 %
Output frequency
max. 100 kHz
Circuit protection
no
Cabel length max.
max. 150 m at <260 pF/m
Light reserve warning
no
The encoder WDGI 58K is also available as a particularly smooth- running low-friction encoder. The starting torque is thereby changed to ≤ 0.5 Ncm [0.708 in-ozf] and the protection class at the shaft input to IP50.
The encoder WDGI 58K with the output circuit types F24, H24, P24, R24, F05, H05, P05, R05, 245, 645 is also available with the extended temperature range -40 °C up to +85 °C [-40 °F up to +185 °F] (measured at the flange).

The WDGI 58K shaft encoder is also optionally available with a pressure equalising membrane. This prevents water from penetrating into the encoder housing in the case of high air humidity. 
The IP67 protection level, temperature range and salt spray resistance are maintained. Resistant to chemicals and solvents in accordance with DIN EN ISO 2812-1.

The encoder WDGI 58K can be supplied with more than 2 m cable. The maximum cable length depends on the supply voltage and the frequency; see 'General Technical Data'
Please extend the standard order code with a three figure number, specifying the cable length in decimetres.
Example: 5 m cable = 050
General technical Data and safety instructions incremental encoders
General technical Data and safety instructions incremental encoders WDG/WDGI

Flyer Drehgeber Encoder WDGI
WDGI encoder - the new incremental industry standard

  • Die-cast aluminium housing, powder coated
  • Maximum bearing loads of up to 500 N, axial / radial
  • Self-adhesive membrane
  • High output frequency 600 kHz / 2 MHz
  • Extended operating temperature -40 °C to +85 °C

Kurzkatalog Drehgeber - Short catalogue encoders
Short-Catalogue Encoders and systems

  • Incremental and absolute encoders
  • Digital shaft copying
  • Made in Germany
  • Motorfeedback
  • Position Measurement Systems

Delivery times and service
Delivery times and service

of Wachendorff Automation GmbH & Co. KG

Assembly instructions shaft encoders
Assembly instructions shaft encoders WDG/WDGI

Whitepaper optisch und magnetisch Inkremental
Whitepaper


Comparison of optical and magnetic incremental encoders

CE Konformitätserklärungen WDG / WDGI
EC declaration of conformity incremental encoder WDG / WDGI

for Wachendorff Automation GmbH & Co. KG.

UKCA-Declaration of conformity WDG/WDGI
UKCA declaration of conformity incremental encoder WDG / WDGI

for Wachendorff Automation GmbH & Co. KG.

UL Certificates for Wachendorff Automation Products 2014-03-28
UL Certificates

for Wachendorff Automation products.

REACH regulation
REACH- and RoHS regulation of the EU

Information

ISO Zertifikat DIN EN 9001:2015
ISO Certificate DIN EN 9001:2015

Counter for incremental encoders, 1 MHz WDG553XDOM
WDG553XDOM

Counter for incremental encoders, 1 MHz

High Speed position counters and differential counters
for incremental encoder signals.

WDG012VGOM Verteiler Splitter
WDG012VGOM

Cross switcher and splitter

for incremental encoder signals

KI467 Drehgeber Kabeldose
KI-4-67

Female connector KI-4-67:
Suitable for encoder with sensor connector outlet SB4 and SC4, 4 pin, IP67

Ready-made shielded connection cable with female cable connector straight,
shield connected.

KIA467 Drehgeber Kabeldose
KIA-4-67

Female connector KIA-4-67:
Suitable for encoder with sensor connector outlet SB4 and SC4, 4 pin, IP67

Ready-made shielded connection cable with female cable connector angular,
shield connected.

KI567 Drehgeber Kabeldose
KI-5-67

Female connector KI-5-67:
Suitable for encoder with sensor connector outlet SB5 and SC5, 5 pin, IP67

Ready-made shielded connection cable with female cable connector straight,
shield connected.

KIA567 Drehgeber Kabeldose
KIA-5-67

Female connector KIA-5-67:
Suitable for encoder with sensor connector outlet SB5 and SC5, 5 pin, IP67

Ready-made shielded connection cable with female cable connector angular,
shield connected.

KD540 Drehgeber Kabeldose
KD-5-40

Female connector KD-5-40:
Suitable for encoder with connector outlet SI/SH, 5 pin, IP40

Straight female connector or
straight connector with ready made cable.
With female thread M16 x 0.75.

KD567 Kabeldose Drehgeber
KD-5-67

Female connector KD-5-67:
Suitable for encoder with connector outlet SI/SH, 5 pin, IP67

Straight female connector or
straight connector with ready made cable.
With female thread M16 x 0.75.

KDA667 Drehgeber Kabeldose
KDA-6-67

Female connector KDA-6-67:
Suitable for encoder with connector outlet SI/SH, 6 pin, IP67

Angular female connector or
angular connector with ready made cable.

KD740 Drehgeber Kabeldose
KD-7-40

Female connector KD-7-40:
Suitable for encoder with connector outlet S2/S3,, 7 pin, IP40

Straight female connector or
straight connector with ready made cable.
With female thread M16 x 0.75.

KDA740 Drehgeber Kabeldose
KDA-7-40

Female connector KDA-7-40:
Suitable for encoder with connector outlet S2/S3, 7 pin, IP40

Angular female connector or
angular connector with ready made cable.
With female thread M16 x 0.75.

KD767 Drehgeber Kabeldose
KD-7-67

Female connector KD-7-67:
Suitable for encoder with connector outlet S2/S3, 7 pin, IP67

Straight female connector or
straight connector with ready made cable.
With female thread M16 x 0.75.

KDA767 Drehgeber Kabeldose
KDA-7-67

Female connector KDA-7-67:
Suitable for encoder with connector outlet S2/S3, 7 pin, IP67

Angular female connector or
angular connector with ready made cable.
With female thread M16 x 0.75.

KI867 Drehgeber Kabeldose
KI-8-67

Female connector KI-8-67:
Suitable for encoder with sensor connector outlet SB8 and SC8, 8 pin, IP67

Ready-made shielded connection cable with female cable connector straight,
shield connected.

KIA867 Drehgeber Kabeldose
KIA-8-67

Female connector KIA-8-67:
Suitable for encoder with sensor connector outlet SB8 and SC8, 8 pin, IP67

Ready-made shielded connection cable with female cable connector angular,
shield connected.

KD840 Drehgeber Kabeldose
KD-8-40

Female connector KD-8-40:
Suitable for encoder with connector outlet SI/SH, 8 pin, IP40

Straight female connector or
straight female connector with ready made cable.

KD867 Drehgeber Kabeldose
KD-8-67

Female connector KD-8-67:
Suitable for encoder with connector outlet SI/SH, 8 pin, IP67

Straight female connector or
straight female connector with ready made cable.

Drehgeber KDA867
KDA-8-67

Female connector KDA-8-67:
Suitable for encoder with connector outlet SI/SH, 8 pin, IP67

Angular female connector or
angular connector with ready made cable.
With female thread M16 x 0.75.

Drehgeber KDA867S
KDA-8-67-S

Female connector KDA-8-67-S:
Suitable for encoder with connector outlet SI/SH, 8 pin, IP67

Angular female connector, shieldable or
angular connector with ready made cable, shield connected.

KI1267 Drehgeber Kabeldose
KI-12-67

Female connector KI-12-67:
Suitable for encoder with sensor connector outlet SB12 and SC12, 12 pin, IP67

Ready-made shielded connection cable with female cable connector straight,
shield connected.

KIA1267 Drehgeber Kabeldose
KIA-12-67

Female connector KIA-12-67:
Suitable for encoder with sensor connector outlet SB12 and SC12, 12 pin, IP67

Ready-made shielded connection cable with female cable connector angular,
shield connected.

KDSH1267 Drehgeber Kabeldose
KD-SH12-67

Female connector KD-SH12-67:
Suitable for encoder with connector outlet SI/SH, 12 pin, IP67

Straight female connector or
straight connector with ready made cable.

KD1267 Drehgeber Kabeldose
KD-12-67

Female connector KD-12-67:
Suitable for encoder with connector outlet S4/S5, S4R/S5R, 12 pin, IP67

Straight female connector or
straight connector with ready made cable.
clockwise or anti-clockwise.

external link STEP-file

KDA1267 Drehgeber Kabeldose
KDA-12-67

Female connector KDA-12-67:
Suitable for encoder with connector outlet S4/S5, S4R/S5R, 12 pin, IP67

Angular female connector or
angular connector with ready made cable.
Clockwise or anti-clockwise.
Insert any mountable.

KD84015S DIZ Drehgeber Kabeldose
KD-8-40-15-S-DIZ

Female connector KD-8-40-15-S-DIZ:
For frequency inverters: Emotron

Suitable for encoder with connector outlet SI8 and SH8, 8 pin, IP40.
Connector (Sub-D 15 pin, 2 rows).
Ready-made shielded connection cable with female cable connector straight and Sub-D connector.
Female connector/ housing / connector housing electrically connected.

KD84015S RST Drehgeber Kabeldose
KD-8-40-15-S-RST

Female connector KD-8-40-15-S-RST:
For frequency inverters: RST

Suitable for encoder with connector outlet SI8 and SH8, 8 pin, IP40.
Connector (Sub-D 15 pin, 2 rows).
Ready-made shielded connection cable with female cable connector straight and Sub-D connector.
Female connector/ housing / connector housing electrically connected.

KD84015S SDR Drehgeber Kabeldose
KD-8-40-15-S-SDR

Female connector KD-8-40-15-S-SDR:
For controller: Schindler MX

Suitable for encoder with connector outlet SI8 and SH8, 8 pin, IP40.
Connector (Sub-D 15 pin, 2 rows).
Ready-made shielded connection cable with female cable connector straight and Sub-D connector
Female connector/ housing / connector housing electrically connected.

KD84015S CTF Drehgeber Kabeldose
KD-8-40-15-S-CTF

Female connector KD-8-40-15-S-CTF:
For frequency inverters: Control Techniques

Suitable for encoder with connector outlet SI8 and SH8, 8 pin, IP40.
Connector (Sub-D 15 pin, 3 rows).
Ready-made shielded connection cable with female cable connector straight and Sub-D connector
Female connector/ housing / connector housing electrically connected.

KD84015S KEB Drehgeber Kabeldose
KD-8-40-15-S-KEB

Female connector KD-8-40-15-S-KEB:
For frequency inverters: KEB

Suitable for encoder with connector outlet SI8 and SH8, 8 pin, IP40.
connector (Sub-D 15 pin, 3 rows).
Ready-made shielded connection cable with female cable connector straight and Sub-D connector
Female connector/ housing / connector housing electrically connected.

KD84015S LOH Drehgeber Kabeldose
KD-8-40-15-S-LOH

Female connector KD-8-40-15-S-LOH:
For frequency inverters: Flender Loher, type Dynavert L

Suitable for encoder with connector outlet SI8 and SH8, 8 pin, IP40.
connector (Sub-D 15 pin, 3 rows).
Ready-made shielded connection cable with female cable connector straight and Sub-D connector
Female connector/ housing / connector housing electrically connected.

KD84015S LIF Drehgeber Kabeldose
KD-8-40-15-S-LIF

Female connector KD-8-40-15-S-LIF:
For frequency inverters: Liftequip

Suitable for encoder with connector outlet SI8 and SH8, 8 pin, IP40.
Connector (Sub-D 9 pin, 2 rows).
Ready-made shielded connection cable with female cable connector straight and Sub-D connector.
Female connector/ housing / connector housing electrically connected.

KD84015S ZIL Drehgeber Kabeldose
KD-8-40-15-S-ZIL

Female connector KD-8-40-15-S-ZIL:
For frequency inverters: Ziehl-Abegg

Suitable for encoder with connector outlet SI8 and SH8, 8 pin, IP40.
connector (Sub-D 9 pin, 2 rows).
Ready-made shielded connection cable with female cable connector straight and Sub-D connector.
Female connector/ housing / connector housing electrically connected.

MW58B Drehgeber Montagewinkel
MW58B

Mounting angle MW58B

suitable for inkremental encoder WDGI 58B, 58K, 58D, 58N, WDG 58T and
absolute encoder WDGA 58B, WDGA 58D.

QF58B Drehgeber Quadratflansch
QF58B

Square flange QF58B

suitable for incremental encoder WDGI 58B, 58K, 58D, 58N, WDG 58T and
absolute encoder WDGA 58B, WDGA 58D.

Montagewinkel WDGQF58B04
WDGQF58B04

Square flange WDGQF58B04

suitable for incremental encoder WDGI 58B, 58K, 58D, 58N, WDG 58T and
absolute encoder WDGA 58B, WDGA 58D.

SP300 Drehgeber Spannexzenter
SP-3-00

Clamping claw SP-3-00

suitable for incremental encoder WDG 40A, 50B, 58T, WDGI 58A, 58B, 58C, 58D, 58K, 63B, WDGP 36A, WDGP 58A, WDGP 58B and absolute encoder WDGA 36A, WDGA 58A, WDGA 58B.

ST27 Kupplung Drehgeber
ST27

Jointed coupling ST27
 

for encoder with shaft Ø 6 mm or 10 mm

PK20 Kupplung Drehgeber
PK20

Slit coupling PK20

for encoder with shaft Ø 6 mm.

PK24 Kupplung Drehgeber
PK24

Slit coupling PK24

for encoder with shaft Ø 6 mm, 8 mm or 10 mm.

FSK22 Kupplung Drehgeber
FSK22

Spring disc coupling FSK22

for encoder with shaft Ø 6 mm, 10 mm or 12 mm.

WK22 Kupplung Drehgeber
WK22

Helical coupling WK22

for encoder with shaft Ø 6 mm.

WK24 Kupplung Drehgeber
WK24

Helical coupling WK24

for encoder with shaft Ø 6 mm, 8 mm, 10 mm or 12 mm.

WK32 Kupplung Drehgeber
WK32

Helical coupling WK32

for encoder with shaft Ø 6 mm or 10 mm.

BK29 Kupplung Drehgeber
BK29

Bellows coupling BK29

for encoder with shaft Ø 6 mm, 8 mm, 10 mm or 12 mm*.
Max. offset of shafts radial: ± 0,25 mm or ± 0,30 mm*
Torsion spring stiffness: 150 Nm/rad or 130 Nm/rad*

FB29B Kupplung Drehgeber
FB29B

Bellows coupling FB29B

for encoder with shaft Ø 4 mm, 6 mm, 8 mm, 10 mm or 12 mm.

DSK29 DSKF29 Kupplung Drehgeber
DSK29

Double loop coupling DSK29

for encoder with shaft Ø 6 mm, 8 mm or 10 mm.
No moving parts, thermally and electrically insulating, smooth running, maintenance-free.
Good resistance to
Gasoline, oil, benzene, toluene, aromatic and non aromatic hydrocarbons, alcohols, glycols, solvents and many chemicals.

DSK38 Kupplung Drehgeber
DSK38

Double loop coupling DSK38

for encoder with shaft Ø 6 mm, 8 mm, 10 mm or 12 mm.
No moving parts, thermally and electrically insulating, smooth running, maintenance-free.
Good resistance to
Gasoline, oil, benzene, toluene, aromatic and non aromatic hydrocarbons, alcohols, glycols, solvents and many chemicals.

WDGMA5005x

Spring-loaded arm for encoder types
58B, 58D, 58K, 58N and 58T

for length determination

WDGMA5105x

Spring-loaded arm for encoder types
58B, 58D, 58K, 58N and 58T

for length determination

WDGMA10000 Federarm Drehgeber
WDGMA10000

Spring-loaded arm for encoder types
58B, 58D, 58K, 58N and 58T

for length determination

DH10000
WDGDH10000

Linear equilization shaft encoder holder for encoder types 58B, 58D, 58K, 58N and 58T

for lenght determination

MR150GR Messrad Drehgeber Measuring wheel encoder
MR150GR06

Measuring wheel MR150GR06

Circumference: 150 mm,
Surface finish: O-ring 3,5 mm, material NBR70
Fields of application: Wood, metal, conveyor belts, paper, textiles.
For encoders with shaft Ø 6 mm.

MRA200KR Messrad Drehgeber
MRA200KR

Measuring wheels MRA200KR

Circumference 200 mm,
Surface finish: Metal, knurled
Fields of application: Pasteboard, wood, textiles, rubber, soft plastic.
For encoder with shaft Ø 6 mm, Ø 10 mm or Ø 12 mm.

MR200KG Messrad Drehgeber
MR200KG

Measuring wheels MR200KG

Circumference 200 mm,
Surface finish: Synthetic (Hytrel, fluted)
Fields of application: Plastic, painted surfaces, paper, pasteboard, wood, metal, textiles.
For encoder with shaft Ø 6 mm or 10 mm.

MRA200KG Messrad Drehgeber
MRA200KG

Measuring wheels MRA200KG

Circumference 200 mm, 
Surface finish: Synthetic (Polyurethan, fluted)
Fields of application: metal ungreased, painted surfaces, plastic, paper, pasteboard, wood, textiles, glas, floor coverings.
For encoder with shaft Ø 6 mm, Ø 10 mm or Ø 12 mm.

MR200KH Messrad Drehgeber
MR200KH

Measuring wheels MR200KH

Circumference 200 mm,
Surface finish: Synthetic (Hytrel, even)
Fields of application: Plastic, painted surfaces, paper, pasteboard, wood, metal, textiles.
For encoder with shaft Ø 6 mm or 10 mm.

MRA200KH Messrad Drehgeber
MRA200KH

Measuring wheels MRA200KH

Circumference 200 mm,
Surface finish: Synthetic (Polyurethan, even)
Fields of application: greased metal, steal profiles, painted surfaces, plastic, paper, pasteboard, wood, textiles, wire, leather.
For encoder with shaft Ø 6 mm, Ø 10 mm or Ø 12 mm.

MRA200NG Messrad Drehgeber
MRA200NG

Measuring wheels MRA200NG

Circumference 200 mm, 
Surface finish: Synthetic (pimpled Polyurethan)
Fields of application: rough textiles, carpet, cable measuring, fleece, paper, pasteboard, wood, plastic.
For encoder with shaft Ø 6 mm, Ø 10 mm or Ø 12 mm.

distributors
For further information please contact our local distributor.
Here you find a list of our distributors worldwide
You want to get an offer or want a recall. Request