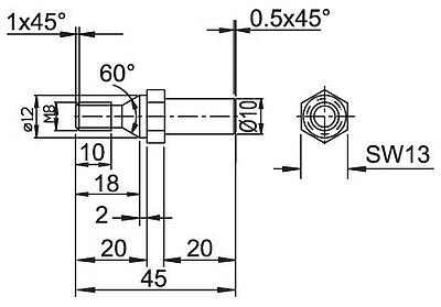
WDGWA10M08
Shaft adapter WDGWA10M08
for thru-bore and hollow bore (blind) encoder Ø 10 mm
or couplings Ø 10 mm,
thread M8.

Illustration similar
Thread
M08
Order number(s)
WDGWA10M08
Shaft adapter
For further information please contact our local distributor.
Here you find a list of our distributors worldwide
Here you find a list of our distributors worldwide
You want to get an offer or want a recall. Request









