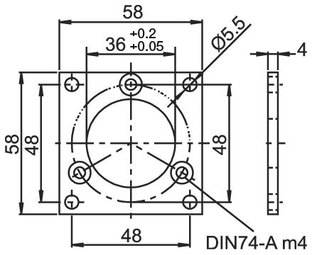
QF58B
Square flange QF58B
suitable for incremental encoder WDGI 58B, 58K, 58D, 58N, WDG 58T and
absolute encoder WDGA 58B, WDGA 58D.

Illustration similar
Material
Aluminum black anodised
Order number(s)
QF58B
Square flange
For further information please contact our local distributor.
Here you find a list of our distributors worldwide
Here you find a list of our distributors worldwide
You want to get an offer or want a recall. Request









