WDGMA5105x
Spring-loaded arm for encoder types
58B, 58D, 58K, 58N and 58T
for length determination

Illustration similar
Highlights
- Variable installation from below, from above, horizontal, vertical
- Adjustable prestresing force: 5 N up to 30 N (in steps of 5 N)
- Can be combined with all measuring wheels of 200 mm and 500 mm circumference
- Available in two loading directions
Spring travel
Spring travel at tension:
5 N = 90°
20 N = 80°
...
30 N = 40°
Gewicht
approx. 755 g
Order number(s)
WDGMA51051
Load direction anti-clockwise
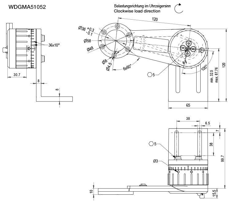
WDGMA51052
Load direction clockwise
For further information please contact our local distributor.
Here you find a list of our distributors worldwide
Here you find a list of our distributors worldwide
You want to get an offer or want a recall. Request










