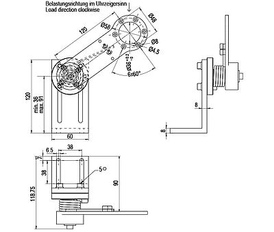
WDGMA10000
Spring-loaded arm for encoder types
58B, 58D, 58K, 58N and 58T
for length determination

Illustration similar
Highlights
- Variable installation from below, from above, horizontal, vertical
- Adjustable prestresing force: 20 N, 25 N and 30 N
- Can be combined with all measuring wheels of 500 mm circumference
- Available in two loading directions
Spring travel
Spring travel at tension:
20 N = 50° approx. 90 mm
25 N = 45° approx. 84 mm
30 N = 40° approx. 77 mm
Gewicht
approx. 760 g
Order number(s)
WDGMA10000
Load direction anti-clockwise
WDGMA10002
Load direction clockwise
For further information please contact our local distributor.
Here you find a list of our distributors worldwide
Here you find a list of our distributors worldwide
You want to get an offer or want a recall. Request










