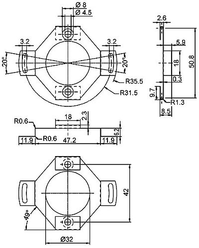
WDGDS10019
Torque support WDGDS10019
for hollow shaft encoder 58E, 58H.

Illustration similar
Compensation
axial ±1.2 mm
radial ±0.2 mm
radial ±0.2 mm
Material
Stainless springsteel
Fixing
Screws for fixing to the encoder are enclosed.
Screws for fixing to the machine are not supplied.
Order number(s)
WDGDS10019
Torque support
For further information please contact our local distributor.
Here you find a list of our distributors worldwide
Here you find a list of our distributors worldwide
You want to get an offer or want a recall. Request









